1997 Dodge Trailer Wiring Diagram

1997 Dodge Trailer Wiring Diagram. Come join the discussion about reviews, drivetrain swaps, turbos, modifications, classifieds, builds, troubleshooting. If you run into an electrical problem with your Dodge, you may want to take a moment and check a few things out for yourself.

Dodge Ram 1500 Wiring. Trailer tow. Pigtail, ahc ...
Dodge Ram 1500 Wiring. Trailer tow. Pigtail, ahc ... (Nettie Moore)
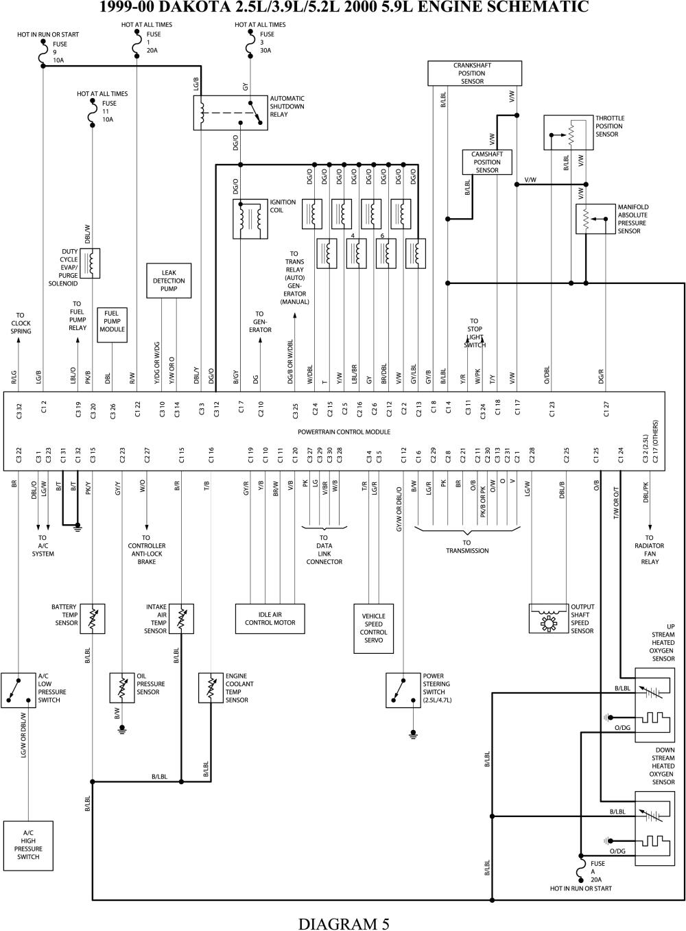
Not all trailers have reverse lights, so. does anyone have a wireing diagram for the trailer harness. This is a heck of alot easier to read compared to the Dodge FSM manual that is just good old black and white. All three wires connect directly to your Dodge Dakota or Durango's fuel injection computer.

You can save this pic file to your own personal device.

Dodge Ram Truck Electrical Wiring Diagrams.

[DOC] Diagram 98 Chevy Trailer Wiring Diagram Ebook ...

2004 Jeep Grand Cherokee Wiring Schematic

Wiring Diagram: 27 98 Dodge Ram Radio Wiring Diagram

1997 Dodge Ram Trailer Wiring Diagram | Trailer Wiring Diagram

35 1997 Dodge Ram 1500 Alternator Wiring Diagram - Wiring ...

99 Dodge Ram 1500 5 2 Ecu Wiring Diagram - Wiring Diagram ...

56038366AB - Dodge Connector. 7 way. Ahc, pollak, sseries ...

1997 Ford F250 Trailer Wiring Diagram | Trailer Wiring Diagram

Tailight Wire Diagram: I Just Bought a 1997 Dodge Dakota ...

Come join the discussion about reviews, drivetrain swaps, turbos, modifications, classifieds, builds, troubleshooting. Before you dive in with a multi-meter, you will want to obtain a free wiring diagram for your specific model. This is a heck of alot easier to read compared to the Dodge FSM manual that is just good old black and white.

0 comments